해당 강의노트는 S. Brown and Z. Vranesic, McGraw-Hill의 [Fundamentals of Digital Logic with VHDL Design, 3rd Edition] 책을 기반으로 작성되었습니다
Decoder
- Decoder
- An n-to-$2^n$ binary decoder
- Tri-state Buffer
- Read-only Memory, ROM
Decoder
디코더(Decoder)란?
디코더는 다중 입력에 다중 출력 조합 논리 회로(combinational logic circuit)로, n-bit 데이터 입력을 코드화된 $2^n$개의 출력으로 변환한다. (인코더에 의해 숨겨진 정보를 해독함)

디코더 응용 사례
- 디코더의 역할은 입력 이진수를 하나의 출력으로 연결하는 것으로, 컴퓨터가 어떠한 명령을 처리하는데 사용함.
- 즉, 명령어에 대한 구분을 위해 사용된다
- CPU의 산술 논리 장치에서 연산을 수행하기 위해서는 control line을 활성화해야함. 이 때 활성화를 위한 프로그램 명령을 디코딩 하는데 사용됨

An n-to-$2^n$ binary decoder
2-to-4 decoder & 1-to-4 demultiplexer
- 2개의 이진값의 입력으로 들어오고 4개의 코드화된 출력이 나온게 된다.
- block diagram은 아래의 그림에서 초록색 블럭에 해당하고, circuit diagram은 이를 sop implementation한 결과이다.
- 이때, $w_0, w_1, E_n$을 각각 $s_0, s_1, f$로 assignment해주면 1-to-4 Demux 형태로 표현할 수 있다.

3-to-8 decoder

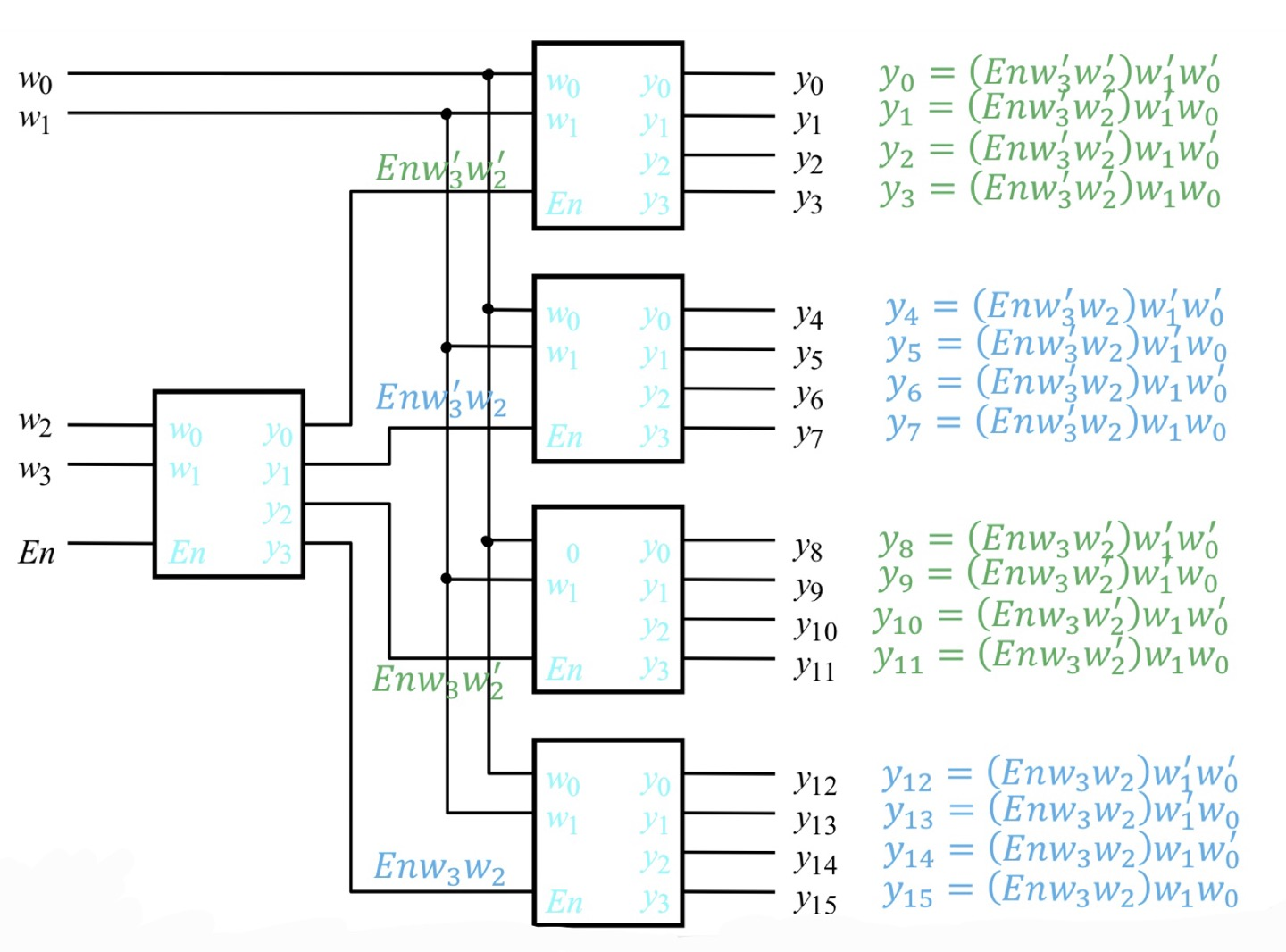
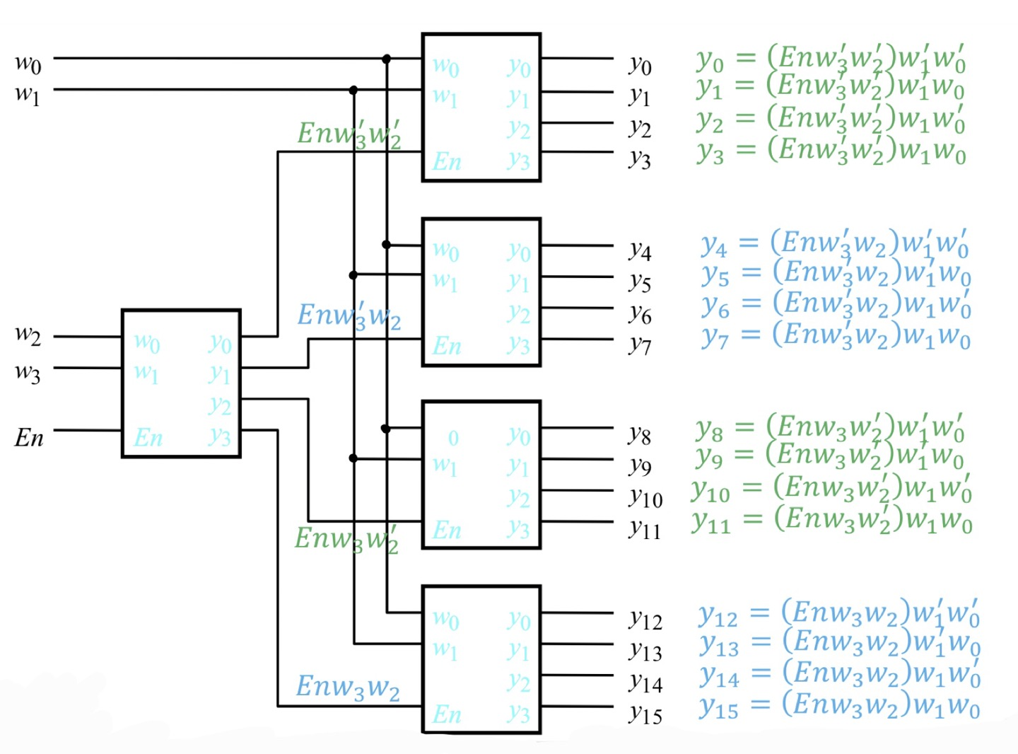
4-to-16 decoder

4-to-1 multiplexer

Tri-state Buffer
버퍼(Buffer)란?
인버터에 버블이 없는 삼각형 모양으로, 버블이 없으므로 비반전 버퍼임. 즉, 입력값과 출력값이 같음

3-state 버퍼(Tri-state Buffer)란?
2개 이상의 게이트나 다른 논리소자들을 연결시킬 때 사용하는 버퍼로 다음의 진리표(Truth table)를 따른다
여기서 Z는 high impedence 상태를 말함, f는 최종적으로 con에 따라 0, 1, Z의 값을 가질 수 있음

| Control(con) | input(x) | output(f) |
| 0 | 0 | Z |
| 0 | 1 | Z |
| 1 | 0 | 0 |
| 1 | 1 | 1 |
3-state 버퍼를 사용하면 Multiplexer를 만들 수 있음
예시1. 3-state 버퍼를 이용한 4-to-1 Multiplexer 구현

Read-only Memory, ROM
ROM(Read-only Memory)란?
읽기만 가능한 메모리로, AND 게이트와 OR 게이트로 구성된 조합논리회로이다.
AND 게이트는 디코더를 구성하며, OR 게이트는 디코더의 출력인 최소항들을 합하는데 사용되며, OR 게이트의 수는 ROM의 출력선의 수와 같다.

'Computer Science > 논리회로' 카테고리의 다른 글
| [Sequential Logic Circuit] 래치(Latch) (0) | 2022.06.11 |
|---|---|
| [Combinational Logic Circuit] 코드 컨버터(Code converters) (0) | 2022.06.08 |
| 디지털 논리회로(Digital Logic Circuit) 소개 (0) | 2022.06.08 |
| [Combinational Logic Circuit] 인코더(Encoder) (0) | 2022.06.08 |
| [Combinational Logic Circuit] 멀티플렉서(Multiplexer, MUX) (0) | 2022.06.03 |