해당 강의노트는 S. Brown and Z. Vranesic, McGraw-Hill의 [Fundamentals of Digital Logic with VHDL Design, 3rd Edition] 책과 ktword의 <정보통신기술용어해/래지스터>을 기반으로 작성되었습니다
Register
- Register
- Shift Register
Register
레지스터(Register)란?
일련의 플립플롭(Flip-Flop)들이 클럭(Clk)을 공유토록 만들어진 n비트 저장 장치임.
n개의 플립플롭을 갖는 레지스터인 경우, $2^n$개의 서로 다른 상태들이 존재하고, n비트 정보의 저장이 가능하다.
레지스터의 역할
논리회로를 구성하는 범용소자로서 레지스터는 일련의 비트 저장 및 이동 소자 역할을 수행한다.
1개의 클럭 입력을 공유하는 다수의 플립플롭들의 묶음을 의미하며 카운터(Counter), 시프트 레지스터(Shift Register) 등 일련의 비트 저장 및 이동이 가능한 소자들을 총칭한다.
레지스터의 입출력 구분

1. PIPO(Parallel Input/Parallel Output, 병렬 입력/병렬 출력)
2. SISO(Serial Input/SerialOutput, 직렬 입력/직렬 출력)
3. PISO(Parallel Input/SerialOutput, 병렬 입력/직렬 출력)
4. SIPO(Serial Input/Parallel Output, 직렬 입력/병렬 출력)
레지스터의 데이터 이동 형태
레지스터 간 데이터 전달(Data Transfer)은 직렬 전달(한 번에 한 비트 씩), 병렬 전달(한 번에 한 워드 씩)로 이루어짐

1. 레지스터 내 시프팅(Shifting)
- 레지스터 내 직렬 데이터 흐름
2. 레지스터 내 순환(Feedback)
- 직렬 출력 데이터가 다시 같은 레지스터의 직렬 입력으로 귀환
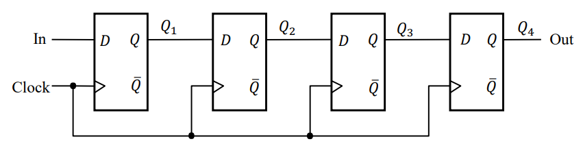
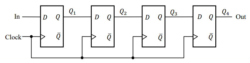
Shift Register
시프트 레지스터(Shift Register)란?
단방향 또는 양방향으로 매 클록마다 한 단씩 이진 정보를 이동시킬 수 있는 레지스터로, 아래와 같이 일련의 플립플롭을 직렬로 연결한 구조이다.

타임 별 입력 시퀀스 예시

주요 용도
1. 메모리(기억성) 구현
- 일련의 지연소자(D 플립플롭)들로 구성됨
2. 정보를 HW적으로 암호화
- 이때, 주로 사용되는 일종의 기억장치
3. 데이터의 직렬-병렬 변환
4. 시프트 카운터(Shift Counter)
- 링 카운터(Ring Counter)는 시프트 레지스터를 이용한 가장 간단한 카운터의 예
'Computer Science > 논리회로' 카테고리의 다른 글
| [Sequential Logic Circuit] 카운터(Counter) (0) | 2022.06.13 |
|---|---|
| [Sequential Logic Circuit] 플립플롭(Flip-Flop) (0) | 2022.06.12 |
| [Sequential Logic Circuit] 래치(Latch) (0) | 2022.06.11 |
| [Combinational Logic Circuit] 코드 컨버터(Code converters) (0) | 2022.06.08 |
| 디지털 논리회로(Digital Logic Circuit) 소개 (0) | 2022.06.08 |